Products
STEELFLUX™ Series Nylon66 Pleated------Ideal for Pre Filtration and Clarification
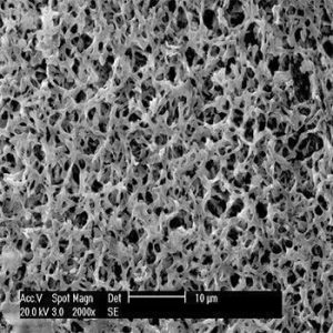
STEELFLUX™ Series Nylon66 membrane cartridge filter is installed by hydrophilic Nylon membrane, which has extra low protein absorb and high flow rate feature.
Feature:
- Hydrophilic Nylon 66 membrane without pre wetting
- Excellent pliability and pore distribution to ensure effective ratio
- Great Chemical compatibility
- No fiber released and low extractable
Application:
- Fine Chemical
- Food and Beverage
- Pharmaceutical
- Water Treatment
- Fermentation
- Semiconductor

Material Construction:
| Filter Media | Nylon 66/Charged Nylon |
| Supporter | PP No Woven Fiber |
| Cage | PP/SS 304/SS 316 |
| Core | PP/SS 304/SS 316 |
Specification:
| Length | 5’’, 10’’, 20’’, 30’’,40’’ |
| Micron Rate | 0.1μm~10.0μm |
| Diameter -OD | 65mm, 69mm, 83mm, 114mm |
| Surface Area | 0.4m², 0.6m², 1.15 m²,2.0 m² |
Bacteria Challenge:
| B.diminuta | LRV>7 | 0.22μm |
| Serratia Marcescens | LRV>7 | 0.45μm |
Operation Condition:
| Max. Pressure Drop | 0.42Mpa@25℃ |
| 0.20Mpa@75℃ | |
| Max. Working Temp. | 80℃ |
| Change-Out ∆P | 0.25Mpa |
| Sterilization | 150times Autoclave @121℃ 30mins |
All components meet the EU and USA requirements for Food Contact Use in accordance with CFR (Code of Federal Regulations) Title 21 and EC 1935/2004 and subsequent amendments.
Order Information:
| Application | Type | Material | Length | Micron | Adaptor | Sealing |
| F | PF | NY1 | 10 | F | C1 | S |
| M-BioPharma
F-Food&Beverage C-Chemical I-Industrial Water Treatment |
PF-Pleated Filter | NY1-Nylon66
NY2-Nylon66 Positive Charged |
05=5’’
10-10‘’ 20-20‘’ 30-30‘’ 40-40‘’ |
Z-0.05μm
A-0.1μm B-0.2μm B2-0.22μm C-0.45μm C5-0.5μm D-0.65μm E-0.8μm F-1.0μm F2-1.2μm |
D1-DOE
B1-222/Flat B2-222/Flat w/ SS insert B3-222/Fin B4-222/Fin w/ SS insert C1-226/Fin C2-226/Fin w/ SS insert C3-226/Flat C4-226/Flat w/ SS insert |
S-Silicone
E-EPDM N-NBR V-Viton F-Encapsuled Viton K-Encapsuled Silicone |
- ORIENTFILTR TECHNOLOGY CO.,LTD
- No. 688, Xingfu Road, Chongchuan District, Nantong, Jiangsu, China. 226007
- Email: info@orientfiltr.com
- Phone: 800-293-3858



